Ридан 087H3805R — Контроллер ECL-3R 331 FC, напряжение питания 24V AC/DC
Заявка на покупку или консультацию
×Описание
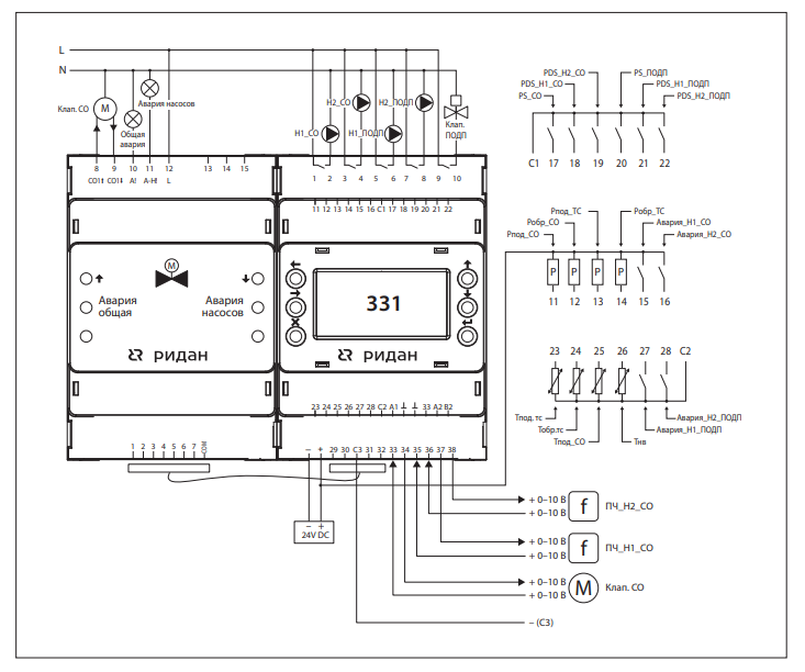
Линейка контроллеров ECL-3R разработана для эффективного и стабильного управления инженерными системами индивидуальных тепловых пунктов. Данные устройства обеспечивают полный функционал: от точной регулировки насосного оборудования до автоматической подпитки системы.
Ключевая особенность ECL-3R — использование жесткой логики управления, которая обеспечивает стабильность и предсказуемость работы. В отличие от программируемых решений, контроллеры не требуют настройки через сложное ПО. Это значительно упрощает ввод в эксплуатацию, настройку и обслуживание, снижая зависимость от узкопрофильных специалистов.
Диспетчеризация с Cloud Control
Характеристики
Напряжение питания, В
24V DC
IP
31
Масса нетто, кг
0.3
Температура окружающей среды (режим работы)
+7…+55
RTC - часы реального времени
Резервное питание от встроенного аккумулятора не менее 28 дней
EAN13 (Single-pack)
4620003281976
RS-485
2 шт
Дисплей и клавиатура
Монохромный Жки 192*64 точки с подсветкой, 6 кнопок
Диапазон допустимого напряжения
18-36
Температура окружающей среды (хранение/транспортировка), °C
-20…+60
Потребляемая мощность, ВА
5
Документация
Паспорт
Руководство
Сертификат
Инструкция
Популярные товары
060G6107R — Преобразователь давления MBS 1700R, диапазон измерения 0-25 бар, выходной сигнал 4-20 мА, присоединение G 1/214 573,95 ₽
042U604031R — Клапан электромагнитный EV252WR, G 1 1/2, EPDM, нормально открытый, 0…6 бар, с катушкой 220 В, 50 Гц18 927,85 ₽
060-132566R — Реле давления KPI 35R, диапазон настройки -0,2...8 бар, дифференциал 0,4…1,5 бар, штуцер G1/2А, автоматический сброс6 722,90 ₽





