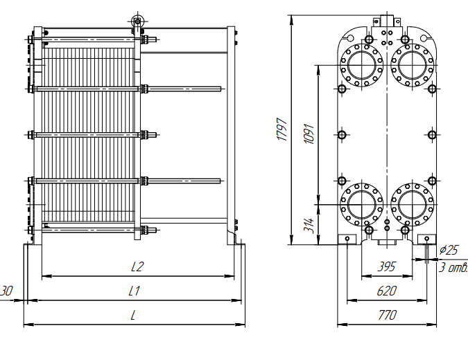
Теплообменник Ридан НН№65 ДУ 200
Заявка на покупку или консультацию
×Характеристики
Рабочая температура среды, °C
от -25 до +180
Рабочее давление, бар
25
Материал прокладки
EPDM, Nitril, Viton и их модификации
Материал пластин
AISI 304, AISI 316L, SMO 254, Titan, C-276 и другие
Регулируемая среда (теплоноситель)
вода, пар, углеводороды, кислоты, пищевые жидкости и другие
Популярные товары
060G6107R — Преобразователь давления MBS 1700R, диапазон измерения 0-25 бар, выходной сигнал 4-20 мА, присоединение G 1/214 573,95 ₽
042U604031R — Клапан электромагнитный EV252WR, G 1 1/2, EPDM, нормально открытый, 0…6 бар, с катушкой 220 В, 50 Гц18 927,85 ₽
060-132566R — Реле давления KPI 35R, диапазон настройки -0,2...8 бар, дифференциал 0,4…1,5 бар, штуцер G1/2А, автоматический сброс6 722,90 ₽


